Porsche 930 Turbo Ölschläuche
- Schnelle Lieferungen
- Sicherer Kauf
- 14 Tage Rückgaberecht
Produktbeschreibung
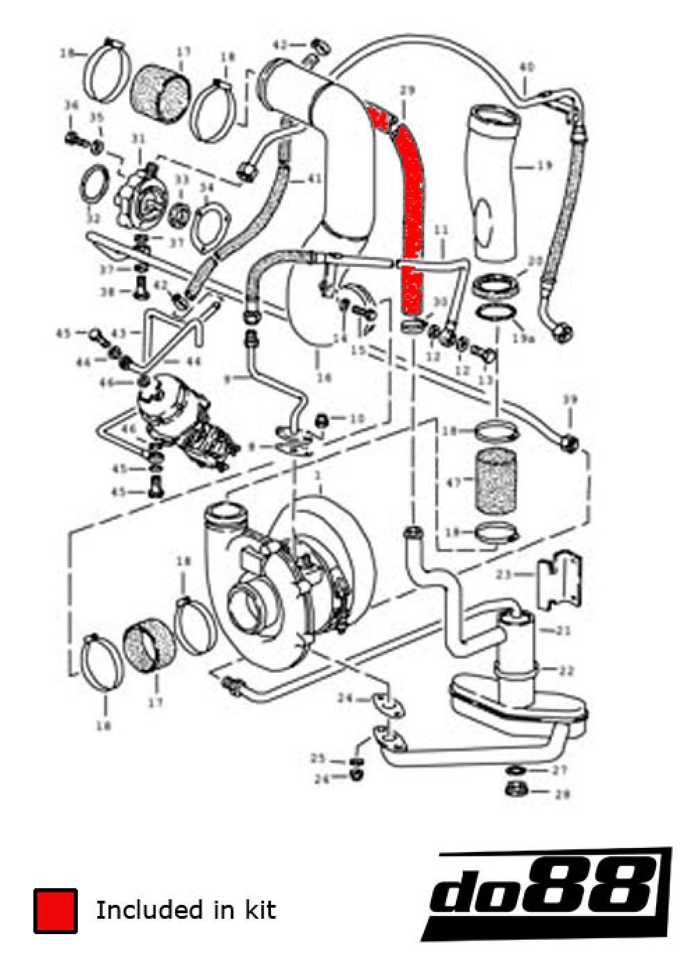
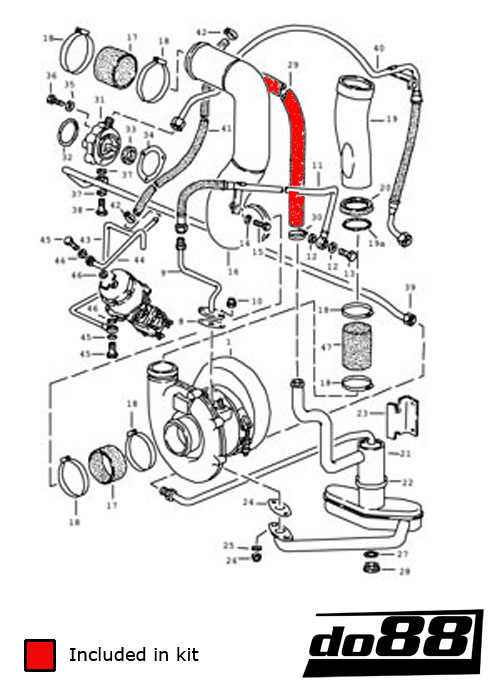
Ein eigens von do88 entwickeltes Schlauchkit, dass die Originalschläuche der Kurbelgehäuseentlüftung und des Ölabschneider ersetzt!
Dieser Schlauch ist ausschließlich aus hochwertigem Silikon gefertigt, um die beste Haltbarkeit und Finish zu garantieren. Mit drei bis fünf Verstärkungslagen, abhängig vom Innendurchmesser, hält der Schlauch hohem Druck und Temperaturen langfristig stand. Das Original ist aus Gummi gefertigt, was häufig durch Austrocknen rissig wird. Dies ist die perfekte Alternative, die auch noch besser aussieht!
Im Dropdownmenü gibt es verschiedene Farben zur Auswahl. Die Farben unterscheiden sich nicht in der Performance.
Der passenden Satz Schlauchschellen kann unter „Zubehör“ bestellt werden: Schlauchschellen Kit do88-kitxxx. Kontrollieren Sie, dass die Nummer des Kits mit der des Schlauchschellensatzes übereinstimmt.
Alle Artikelnummern des Herstellers sind nur als Referenz angegeben.
Passt
Baujahre: 1978-1989
Motor: 3.3 Turbo
* Die Schlauchschellen dieser zwei Originalschläuche müssen durchtrennt werden und die Schlauchkupplung inklusive Rohr muss wiederverwendet werden und mit gewöhnlichen Schlauchschellen an den Silikonschläuchen montiert werden. Wir empfehlen Ihnen, unser Kit mit Schlauchschellen zu kaufen, das das enthält, was Sie benötigen.
OE-Ref. / Ersetzt
Referenz: 93010739504, 93010799500
Schlauch Ölabschneider
Referenz: 93010739100
Schlauch Ölabschneider
Referenz: 93010738904
Schlauch Öltank *
Referenz: 93010738906
Schlauch Öltank
Referenz: 93010723302
Schlauch Öltank
Referenz: 93010739402, 99923600750, 00004320495
Schlauch Kurbelgehäuseentlüftung *
Referenz: 93010739701



English USA
English Europe

Swedish
Finnish
Norwegian
French

Silikonschlauch Blau
Silikonschlauch Schwarz
Silikonschlauch Rot
Benzinschlauch
Luftschlauch
Schlauchkupplungen
Schlauchschellen und zubehör
Verbinder für Schläuche
Schweißkegel Alu
Schlauchanschluss
Stopfen
Silikonkappen
Einweg-Rückschlagventil
2 mm Wandstärke, poliert
3 mm Wandstärke
Reduzierstück
Aluminiumblech
Alpine
Audi
BMW
CUPRA
Ford
Mazda
Opel
Porsche
Saab
Seat
Skoda
Suzuki
TOYOTA
Volvo
VW
Auspuffteile
Hitzeschutz
Luftfilter
Universal Ladeluftkühler
Garrett Ladeluftkühler Netz
Umluftventile / Boost-Controller
Ölkühler
Luftfilter, Ausverkauf
Ölkühler, Ausverkauf
Umluftventile / Wastegate, Ausverkauf
Schlauchschellen, Ausverkauf
(0 St.)




















